木造住宅の壁量
~ 重い屋根材と軽い屋根材の差について ~
地震力や風圧力などの水平力に抵抗するため、建築基準法では必要壁量が定められています。
【ポイント】
①必要壁量は、地震力または風圧力に対する壁量のどちらか大きい方。
②壁の種類で強さ(壁倍率)が違います。

たとえば・・・ 地震力 vs 風圧力
(1)地震力に対する必要壁量の計算 : 床面積x係数
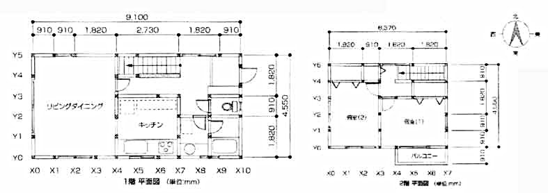
①床面積 1階=41.41㎡ 2階=28.99㎡

②係数:屋根葺き材により決められている

・・・・よって、地震力に対する必要壁量は、
| 1階 X・Y軸とも | 2階 X・Y軸とも | |
|---|---|---|
| 重い屋根 | 41.41㎡x33cm/㎡x0.01 =13.67m |
28.99㎡x21cm/㎡x0.01 =6.09m |
| 軽い屋根 | 41.41㎡x29cm/㎡x0.01 =12.01m |
28.99㎡x15cm/㎡x0.01 =4.35m |
(2)風圧力に対する必要壁量の計算 : 見付け面積x係数
①見付け面積は、各階の床面から1.35m以下の部分を除いた面積です。

| 1階東西面 | 1階南北面 | 2階東西面 | 2階南北面 |
|---|---|---|---|
| 25.16㎡ | 45.98㎡ | 10.54㎡ | 19.41㎡ |
| 地域 | 一般地域 | 強風地域 |
|---|---|---|
| 係数(cm/㎡) | 50 | 50~75 |
| 1階 | 2階 | ||
|---|---|---|---|
| X軸方向 | Y軸方向 | X軸方向 | Y軸方向 |
| 25.15㎡x50cm/㎡x0.01 =12.58m |
45.98㎡x50cm/㎡x0.01 =22.99m |
10.54㎡x50cm/㎡x0.01 =5.27m |
19.41㎡x50cm/㎡x0.01 =9.71m |
(3)必要壁量の決定 :
階ごと、方向ごとに地震力と風圧力に対する必要壁量の値を比べます。
大きい値が必要壁量となります。
(1)と(2)をまとめると・・・
| 重い屋根 | (単位:m) | 1階 | 2階 | ||
|---|---|---|---|---|---|
| X軸方向 | Y軸方向 | X軸方向 | Y軸方向 | ||
| 対 地震力 | 13.67 | 13.67 | 6.09 | 6.09 | |
| 対 風圧力 | 12.58 | 22.99 | 5.27 | 9.71 | |
| 軽い屋根 | (単位:m) | 1階 | 2階 | ||
|---|---|---|---|---|---|
| X軸方向 | Y軸方向 | X軸方向 | Y軸方向 | ||
| 対 地震力 | 12.01 | 12.01 | 4.35 | 4.35 | |
| 対 風圧力 | 12.58 | 22.99 | 5.27 | 9.71 | |
(4)結果として
1.重い屋根と軽い屋根の必要壁量の差は、1階X軸方向 1.09mですが、
壁倍率が1.5の耐力壁(910㎜)を使うと、壁倍率1.5x0.91m=1.365mとなり、必要壁量を満たします。
よって、差は、わずかに壁倍率1.5の耐力壁1枚分です。
2階は、壁倍率1.0の壁1枚分となります。
(5)なぜ地震で、建物の倒壊や損傷が起こるのか???
建築基準法が改正されていて、昭和56年以前の古い基準で建てられた建物では、もともと建物自体の
強度(壁量)が不足していることが原因として考えられます。
(6)すなわち、耐震・耐風には、屋根の重量以上に壁量が大事である。
1.屋根材による比較よりも、建物地震の構造に注意すべき。
2.古い時代では、屋根には瓦が乗っている場合が多く、比較検討材料に乏しい。
3.建物の老朽化の中には腐朽している柱もあり、耐力がない場合も多い可能性が高い。
4.軽い屋根材であっても耐震補強が必要。
5.壁量に大きな差がない。
6.耐久性・断熱性・遮音性に優れた屋根材である”陶器瓦”自体に大きな問題は無い。